|
My latest organ is a 1959 Hammond B-3. I identified the year by the wooden cheek blocks and the date codes on the tubes. This date also corresponds to the timeframe the original owner purchased the organ. The chorus would not turn off due to one open and one off value resistor. The percussion also did not work due to an open filament tube and a low resistance across a key busbar. The chorus/vibrato was choppy because one section had resistance to ground due to dendrite growth. Other than replacement of the worn volume pedal pad, this organ is in original condition and shows just minor paint wear below the drawbars.



Hammond B-3 internal rear
Internal Hammond B-3 serial tag

Original insert Pre-Set Practice charts displaying default settings
Pre-Set Practice Charts (zip file of scans at 300 dpi)

My "Key Note lite" model E-21835, manufactured by
the
Key Note Company, 3330 Wilshire Blvd, Los Angeles, CA
Leslie 142 and PR-20 Tone Cabinet
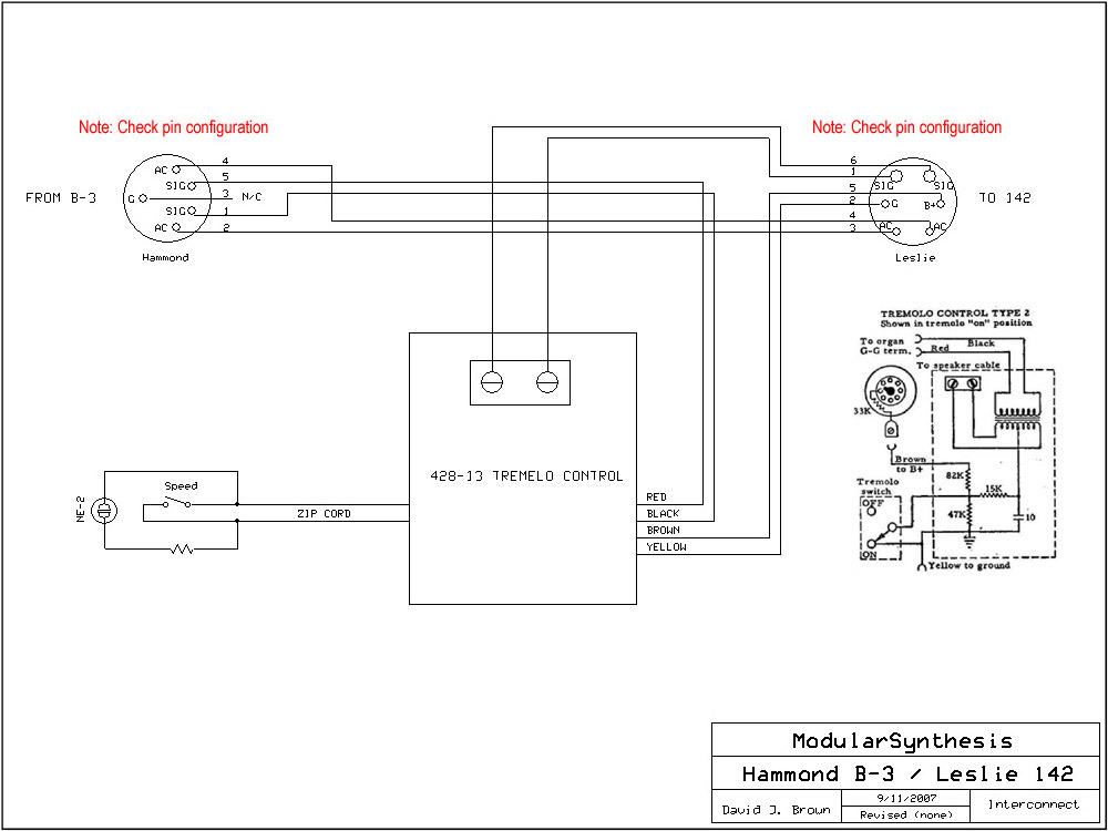
I built interface to my Leslie using a 428-13 Tremelo Control. It sits on the floor and plugs directly into the organ. A foot switch plugs in the side to control the speed and has a neon lamp which indicates choral mode.
B-3 to Leslie 142 control box schematic
I wanted reverb so I built a 5 pin "Y" adapter that brings the balanced audio to a Jones connector with a short pigtail adapter to an XLR connector. I plug the "Y" adapter into the B-3 and then plug my Leslie control box into the 5 pin socket. Having both the Hammond output and the Leslie input in the Jones connector allows me maximum flexibility of signal routing and control.

I restored the PR-20 Tone Cabinet to use as a second amplifier on the opposite side of the room. This required replacement of one open and two off-value resistors and a shorted reverb return cable. The Leslie provides the main amplification and the PR-20 adds a bit of distant reverb. I made a switchbox (visible on the floor on lower right) that controls the PR-20 main power and has an XLR connector for the balanced input signal input. I use microphone cable to connect the XLRs which is much less expensive and easier to route across the room.


Warm glow of the PR-20 tubes

Original PR-20 installation check list