|
I am in the process of building a MEMS version of the 212 Dodeca module. There is a lot of front panel wiring on this module so MEMS designed a panel board which also contains the Electric Druid noise IC. There still is a lot of wiring to this PCB, but it is much simpler. I bused the grounds and parallel jacks to minimize the number of wires I had to align with the panel. I also chose to mount all the components on the rear of the PCB for access.

The main PCB has an edge connector for power and connecting to the reverb and headphone board. I matched all the MEMS vactrols by function. The two board set is ready for wiring.

The PCB to PCB wiring is intense and not for the faint of heart. I used shielded cable for the Low Pass Gate. One advantage is you can test each sections separately.

I made just a few modifications:.
I minimized the delay between the trigger and attack by adding an adjustable negative supply instead of the zener diode. I mounted the trimmer and op-amp on a piece of double-sticky foam tape.
Low Pass Gate: I adjusted the gain of the filter mode to match the gain of combo and gate.
Output Amplifier: I lowered the gain of the middle channel to match the other two and reduced the level of the reverb send. I also minimized the reverb bleed on the bottom channel.

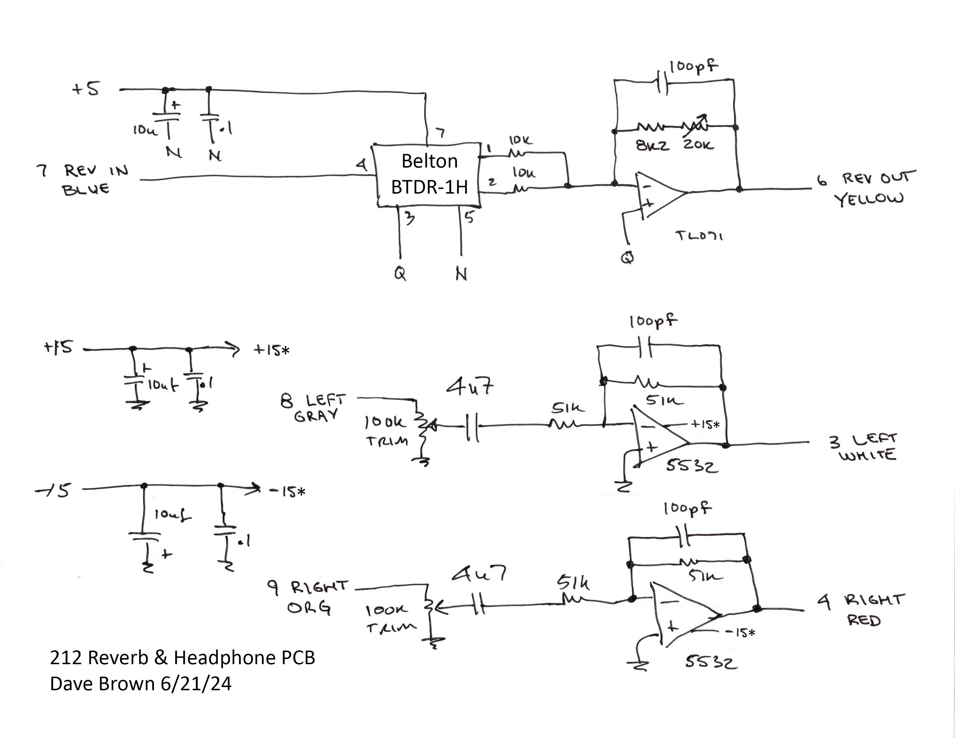
Rather than mount the Reverb-Headphone PCB and springs in a separate enclosure, an aluminum plate on the rear is used for those components. The headphone amplifier is provides more power than is needed, and the spring reverb tank takes up room. I have plenty of spring reverbs so decided to design my own board using the Belton BTDR-1H module. It sounds quite nice and will operate to low frequencies. The headphone amplifier is just a simply driver using a NE5532 op-amp, similar to my 5U headphone amplifier.
212 Reverb-Headphone schematic

I added a trimmer (blue) to set the gain of the reverb return and two trimmers (gray) to set the maximum level of the headphones.

It all fits nicely on the aluminum panel. Module depth is 2.5".

Current consumption without the EGs cycling imeasured at +15V 130 mA, -15V 120 mA, +5V 60mA