|
I added MIDI input and output to my PSIM. Brice had written a couple of programs for the PSIM to provide CV control of a MIDI synth. I had an extra Roland SC-7 from an old PC. This is a nice GM sound module that has no external controls as it is designed to be driven from a PC. I started using mine with my PSIM and really liked some of the capabilities when rapidly changing program controls (e.g. sound samples) and being able to drive it with LFOs and pseudo-random sequences.
In looking at mine, I decided I could fit it behind a 1U panel. It was a real job to remove the controls from the Roland pcb. I just knew I was going to kill it in the process. The switch for the MIDI, RS-232, and RS-422 was a bit tricky to figure out how to hard-wire as it really is just a voltage tap circuit. The module just barely fits behind a panel.
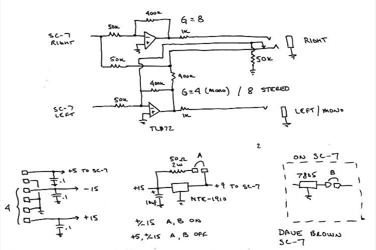
I added a small pcb with a MOTM-style 6 pin power connector and a mono / stereo level shift for +/- 5 volt outputs. I have since added another small pcb to modify the LED response. The standard Roland configuration is that the LED is on and blinks off when MIDI data is received. I just buffered and inverted this so the LED blinks on when MIDI data is received. I also used blue LEDs for all my MIDI indicators. I grind them down and retrofit them in the Lumex holders so they look like the standard MOTM LEDs.
This is one of my favorite modules to drive with my PSIM. It produces some great sounds. There are samples on my samples page.

This photo below shows just the one additional pcb. I have since added another small postage stamp pcb to invert the operation of the LED.
Note at the bottom of the board the additional voltage regulator. This module runs on +9 volts at ~175 mA. I added a 9 volt regulator and added a bypass resistor to remove much of the heat from the regulator. However, it ran really hot and much of this power is regulated down to +5 volts with the on-board regulator. I added some jumpers to enable / disable this regulator and I am currently running this module off in my +15, -15, +5 cabinet (note the 6 pin power connector).

DJB-015 FrontPanelExpress design file