|
Each of my cabinets is powered by a single linear open frame power supply. The two lower cabinets and the expansion cabinet use a PowerOne HAA15-0.8-A supply for +/- 15 volts at 800 mA. The top cabinet uses a PowerOne HCAA-60W to also supply +5 volts.
I was having some difficulty with the HAA15-0.8A supply in the middle cabinet current limiting on power-on. I spent some time moving modules around and that made it somewhat better. I finally decided to take some measurements.
This scope image is the power- on sequence for the middle cabinet. The -15 volts is nearly 25 mS after the +15 volts. The load are fairly balanced with 461 mA on +15 volts and 441 mA on the -15 volts. Note the -15 volt trace is inverted.

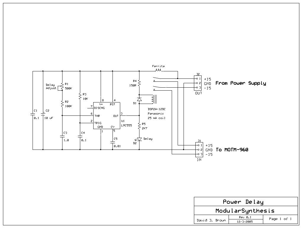
I designed a small power delay board using some spare parts I had. I used a DPDT relay with a power on time delay to switch the +/-15 volts to my second MOTM-960 power distribution board. The first MOTM-960 powers half of the cabinet directly from the power supply. The second MOTM-960 powers the other half of the cabinet about one second later. The next two images show the resulting power-on sequence. A significant difference and I've had no turn-on issues since.
Scope image of the first MOTM-960 (immediate) power-on sequence.

Scope image of the second MOTM-960 (delayed) power-on sequence.

I designed a small pcb so I could install one in each of my cabinets. Here is the assembled board and installation in my cabinet with the MOTM-960.


Schematic of the power-on delay board.