|
These photos are courtesy of Pasquale Rosa and Tom Szakaly ( ELP tribute 'Noddy's Puncture). This module has no name but is associated with the 960 Sequencer and the 962 Sequential Switch in this photo of the CEMS so I call it a Sequencer Utility module although it could have been named the 963.

This is a fairly simple pair of modules which have three independent functions and interfaces to the 960 and 962 through the rear edge connectors. The two modules differ only in the jack to the right of the reset switch and the labeling on the trunk jacks. The jack on the top module is a Reset input and the jack on the bottom module is a Trig Out.

The top functions as a 960 and 962 controller and generates a trigger output. This schematic shows the wiring between the 960, 962, and 963.

The five 'Delay Outputs' jacks simply normalled to the rear panel connector. They are used as trunk lines and are labeled Intra/Rack Trunks in the top photo.

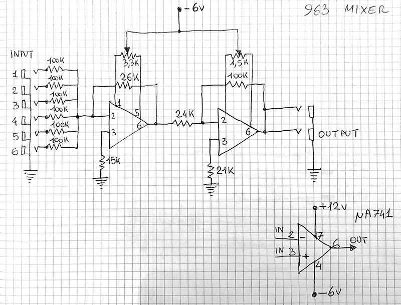
The bottom is a 6 channel mixer. The outputs are simply paralleled.

This video is courtesy of Pasquale Rosa and shows the 963 in operation controlling the 960 and 962.
The DIP parts are a MC789 hex inverter and a MC722 J/K flip-flop and the two can part are 741 op-amps.

This close-up shows the construction with a number of hand mods and perf clips..



